欢迎来到康明斯发电机(深圳)有限公司官网!
1380-227-2908
公司新闻
柴油机发电机润滑系统的秘密:油道循环揭秘
发布:康明斯发电机    浏览:[news:visits]次


引言:以柴油机发动机为动力的发电机组,其发动机一般都是综合性各种各样润滑方式进行润滑。进气系统的功能是把汽车机油不断提供传动系统零件的摩擦面,在摩擦面间形成浮油,缓解人体损坏、减小摩擦损害、减少功率损耗的功效,还具备制冷、清理、密封性、防锈处理等功效。因为某些柴油发电机润化系统结构及工作步骤基本一致,现只以康明斯某型发动机的机油路为例子总结如下。



一、柴油机的机油路



1、四缸自吸型号

四缸自吸柴油机的机油路如下图1所显示。柴油发电机工作的时候,汽车机油经集滤器基本过滤后被吸进喷油泵,因此喷油泵将汽车机油经人体里的主油道压送至机油滤芯。汽车机油进到过滤器后分为双路:一路经汽车机油细过滤装置过滤后立即流到油底;另一路经汽车机油粗滤器过滤后流往机油散热器,假如过滤芯阻塞,则经进气阀流入机油散热器。制冷之后的汽车机油进到传动装置后盖板,随后分为双路:一路经传动轴前轴上的进油口进到曲拐的中空一部分,然后从曲轴电动机轴里的进油口出去润化连杆轴承;另一路则再分为双路,其中不少经人体里的主油道、第一道曲轴滚动轴承,进到曲轴核心主油道,随后流入发动机转速表和曲轴每个滚动轴承。第二和第四道曲轴滚动轴承上面有进油口,汽车机油此后孔排出分别经人体里的竖直主油道进到汽缸盖里的主油道去润化摇臂轴。此外,还有一小部分汽车机油经传动装置后盖板里的喷油器喷入各齿轮轴中对传动齿轮进行润滑。

曲轴大部分滚动轴承流出汽车机油和其它摩擦面流出汽车机油,与旋转传动轴和曲轴大部分碰撞时,产生油粒或焊接烟尘,溅出到活塞杆、气缸壁和传动轴主轴承中对其进行润滑。气环刮下来的润滑油进到连杆小头的两大进油口内,对气缸套和连杆衬套进行润滑。曲轴里的凸轮轴则靠从挺杆上的两个进油口流出汽车机油及部分溅出的油粒和焊接烟尘来润化。

2、增加型柴油机进气系统油道

增加柴油机进气系统油道基本和自吸型号同样,如下图2所显示。

涡轮增压和机油压力针对涡轮增压器发动机而言,来独立油身的机油压力用以润化旋转压缩机和涡轮叶片。若该机油压力是不能用的,则涡轮增压滚动轴承就会失去润化且很有可能被损坏。一定要避免那样的情况发生,记牢下边的两大提议:

(1)原地怠速后关机,决不需在运作涡轮增压器发动机后马上关机。因停机后机油压力消退,但涡轮增压依然会迅速地转动,直到终止,在这过程中,涡轮增压会因为机油不足而润滑不良。

(2)换机油或过滤器时记牢还需要排出去涡轮增压里的汽车机油。此外,新换油或过滤器时,汽车机油会落后抵达增压机。想要在换机油后让汽车机油返回涡轮增压中,额外旋转会保证汽车机油压至做到涡轮增压。



二、机油润滑步骤



各种类型发动机都是有确立的润滑脂流动模式,使汽车机油从油底抵达各种各样必须润滑的构件。而且各种、各生产制造年代发动机的流动模式是不一样的。

(1)机油流动性从贮存制冷机油油底逐渐,经机油滤网被吸进喷油泵。

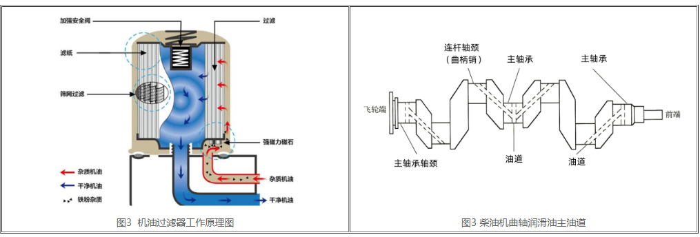
(2)在汽车机油被充压后,送往机油滤芯进行过虑,如下图3所显示。从机油滤芯出去,汽车机油被送入发动机缸盖里的主油道,称为主导主油道。汽车机油从主主油道被送至发动机中的所有其他部件。主主油道上有一个机油压力传感器,用于传感机油压力。它和汽车仪表板里的机油指示灯或电子评定量表或机械量表相接,表明机油压力。

(3)汽车机油积极与主主油道被送至传动轴。在这儿,汽车机油用以润化主轴承和连杆轴承。图4表明钻在传动轴里的主油道。来源于主轴承的汽车机油销售给连杆轴承,随后流到油底或汽车机油盘。

(4)汽车机油从主主油道还可通过钻出来的主油道被送至气缸盖。汽车机油从主主油道排出,根据挺杆、摆杆,随后上升至拐臂,用以润化曲轴、拐臂和气缸。随后,汽车机油根据缸盖和气缸盖中管口排返回油底。



●图4所示是一个汽车机油流动性图。汽车机油流动性的过程如下所示:

汽车机油从油底里被吸出来,越过金属丝网制品过滤器(喷油泵集滤器)进到喷油泵。汽车机油被喷油泵充压,随后被送至机油滤芯进行过虑,进到内部结构主油道。汽车机油送往主主油道用于润化传动轴和曲轴。汽车机油从主主油道被送至曲轴,然后被送至挺杆。这时,汽车机油不处在重压之下,同时通过内部结构主油道排回油底。

●图5所示是功率大的增加柴油机发动机的润滑油流动性图。一些不同点是:在经过过滤器后,汽车机油被立即送至涡轮增压、机油散热器、曲轴。



三、进气系统日常维护特性



进气系统的日常维护工作是很重要的,科学合理的实行维护保养规章制度不但能够防止忽然和重大安全事故产生,并且能够防止零件的初期损坏,增加柴油发电机使用期限,减少维护成本。进气系统维护保养需要注意的事项如下所示:

1、维持正常的油位相对高度

汽车机油在使用中因为挥发、点燃、渗油等原因而慢慢耗费。

(1)汽车机油量减少、曲轴箱通风里的油位相对高度降低时,也会引起润滑不良、油温高,造成爆瓦,卡活塞杆等重大事故。

(2)汽车机油假如加到太多,发动机运行的时候会有过多汽车机油串入燃烧仓内,使活塞杆顶端、阀门、花塞或喷油器等地方积碳。这样不仅使机油消耗量提升,并且会让柴油发电机不能正常工作。因此,曲轴箱通风内油位相对高度要保持从上、下刻度中间。

2、常常检查机油的压力和温度

(1)汽压过高,输油管及接口处很容易发生渗油或裂开;油压过低,会引发润滑不良,使损坏提升。

(2)温度过低或太高也会产生不良影响,油温过高会让汽车机油氧化变质,粘度降低,润化不靠谱,零件损坏提升;温度太低,粘度扩大,摩阻提升,汽车机油制冷效果差。

3、维持汽车机油清洁

定期维护或清洗滤清器滤芯、过滤网,同时要注意清理润滑脂路。

4、按时换机油

油底里的汽车机油使用一段时间之后霉变,逐渐丧失原先的润滑性能,因此必须按使用手册中规定时间按时换机油。有一些型号要求柴油发电机工作中300h后更换一次汽车机油,一般要求工作中250h后更换一次汽车机油。



汇总:



进气系统是柴油机关键零件借助喷油泵供应的工作压力汽车机油进行润滑,其油道构成一个周而复始的系统软件,其它部分零件由溅出汽车机油进行润滑。润滑系的核心任务是不断地向发动机的各个零件摩擦面运输洁净的汽车机油,从而减少零件的摩阻和磨损;流动汽车机油还可以带去零件磨擦的热量和磨损磨落下的金属屑,以避免零件温度上升,毁坏装配间隙而造成不良后果,并且也避免了零件的磨料磨损;因为润化粘度和吸附性的出现而产生浮油,因而汽车机油能开密封作用。正因如此,润滑系是保障发动机正常运行的必要条件之一。

[返回]